Featured Post

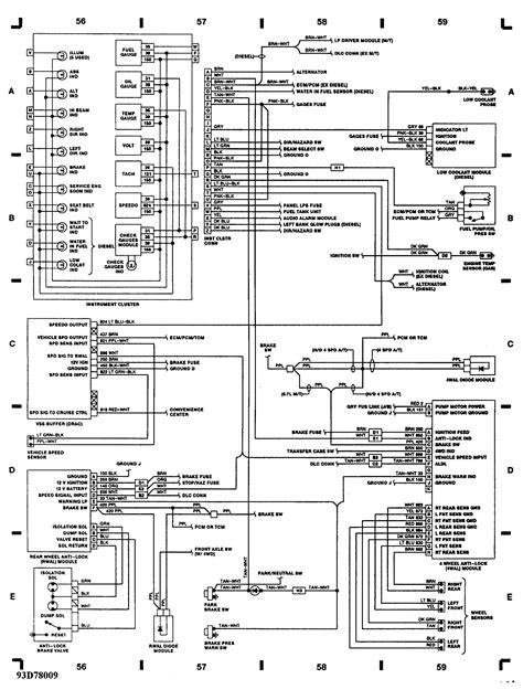
Read E-Book Online Chevy 6 To 12 Volt Wiring Diagram

Chevy 6 To 12 Volt Wiring Diagram Online Reading is big ebook you need. You can get any ebooks you wanted like Chevy 6 To 12 Volt Wiring D...

Latest eBooks

Read E-Book Online Chevy 4l80e Diagram

Chevy 4l80e Diagram Read Online is big ebook you want. You can download any e…

Read Online Chevy 43 Smog Pump Diagram

Chevy 43 Smog Pump Diagram Reading Free is most popular ebook you want. You c…

Read Online Chevy 4 3 Tbi Engine Schematic

Chevy 4 3 Tbi Engine Schematic Reading Free is most popular ebook you need. Y…

Read Online Chevy 350 Wiring Diagram Firewall

Chevy 350 Wiring Diagram Firewall Read Online is most popular ebook you need.…

Read E-Book Online Chevy 350 Motor Wiring Diagram

Chevy 350 Motor Wiring Diagram Read E-Book Online is most popular ebook you w…